Thrustmaster Warthog Profile V2.0 For F-15C With TrackIR Centering

Home > User Files > Thrustmaster Warthog Profile V2.0 For F-15C With TrackIR Centering
F-15C
Thrustmaster Warthog Profile V2.0 For F-15C With TrackIR Centering
User votes: 0
Vote
You voted for this file

Thrustmaster Warthog Profile V2.0 For F-15C With TrackIR Centering

Uploaded by - McKnightG
Date - 02/05/2016 07:47:32
===== UPDATED 08FEB2016@01:33EST =====
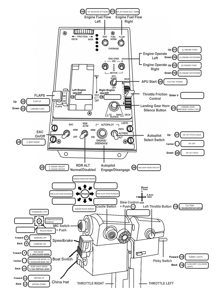
Thrustmaser Warthog profile geared for the F-15C.                                                                                                                  

===== IMPORTANT =====
If you were using v1.0 reset your ingame key bindings.

Any switches and or buttons not listed in the layout are to be key binded ingame.

Change Log v2.0:
1) Added Both Navigation modes to Boat Switch Center NAV Mode ILS, and Shift State NAV Mode NAV.
2) Added Teamspeak 3 PTT to Mic Switch Up switch.
3) Added Communication Window Mic Switch Right.
4) Used USB codes for some keys (this is why ingame key bindings need to be reset). You now only need to assign 1 new keybinding.

NOTE:
Mic Switches Down and Left are currently unused and might not be able to be key binded ingame.

Please report any bugs you find.
Leave a comment if you think their should be a change.

Custom Thrustmaster Warthog profile for the F-15C.
  • License: Freeware - Free version, Do Not Redistribute
  • Language: English
  • Size: 895.77 Kb
  • Downloaded: 6552
  • Comments: 1
FOLLOW US